Redoubt Court - Proposed Floor Plans
PROPOSED FLOOR PLANS
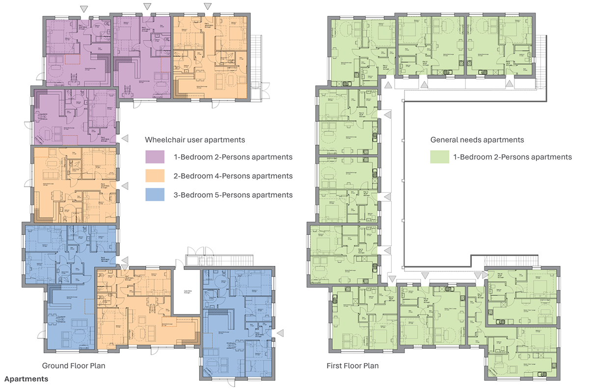
The floor plans show the general arrangement of the housing mix proposed. A mixture of 1, 2, and 3 bedroom apartments are proposed in a two storey C-shaped apartment building, with all ground floor apartments being wheelchair accessible. First floor apartments are designed as general needs apartments.
The 3 houses are in a terrace, with 2 no. 3 bedroom houses and 1 no. 4 bedroom house proposed. All houses and apartments comply with the Nationally Described Space Standards (NDSS) which sets out the recommended floor area and room sizes for each occupancy level and type.


